4-Axis Rotary Table ARM Series

4-Axis Rotary Table ARM Series

  • Country of Origin:Taiwan
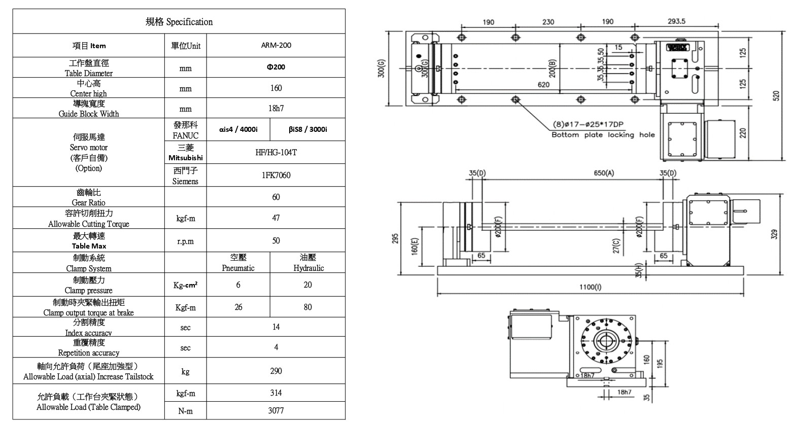
  • Model:ARM-200

DETAIL SPECIFICATIONS

AR200R+MR200H/P + Middle plate + Bottom plate + L block*2pcs

indxPdImg10
4-Axis Rotary Table ARM Series