4-Axis Rotary Table ARS Series

4-Axis Rotary Table ARS Series

  • Country of Origin:Taiwan
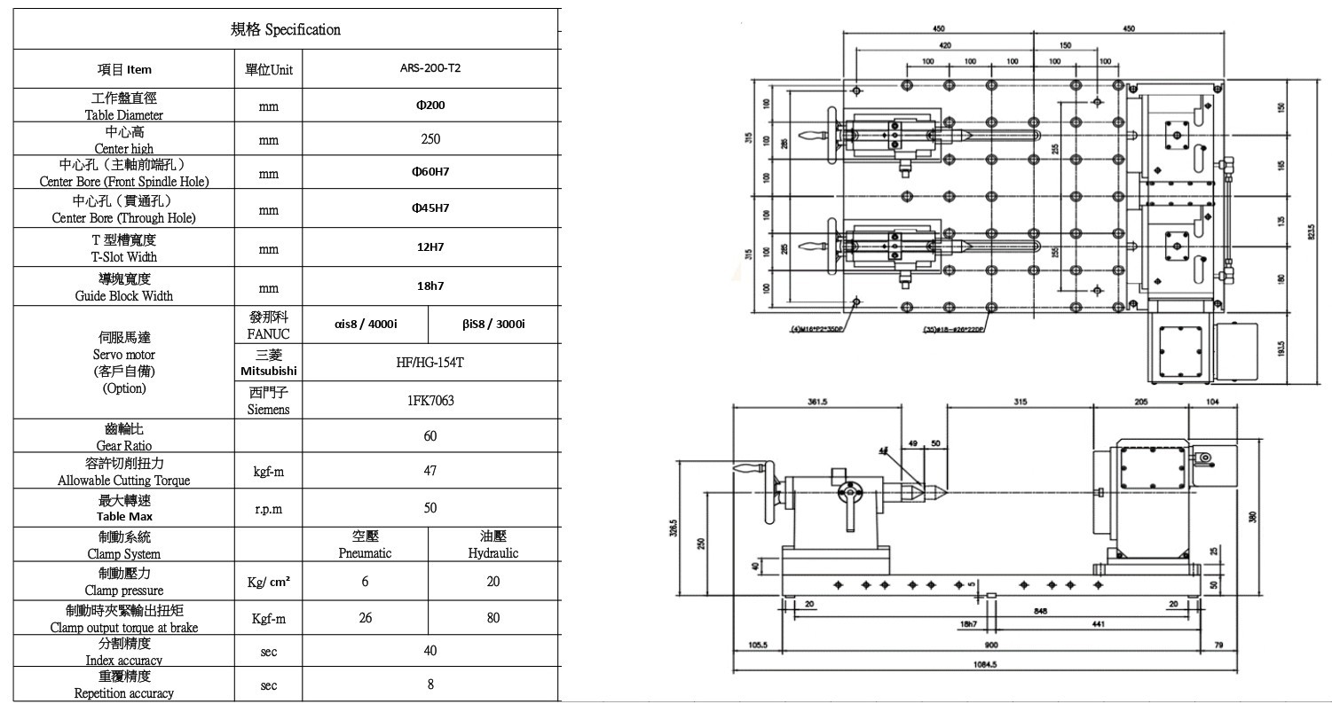
  • Model:ARS-200-T2

DETAIL SPECIFICATIONS

AR200-T2 + MS160*2 + Bottom plate

indxPdImg10
4-Axis Rotary Table ARS Series