4-Axis Rotary Table ARM Series

4-Axis Rotary Table ARM Series

  • Country of Origin:Taiwan
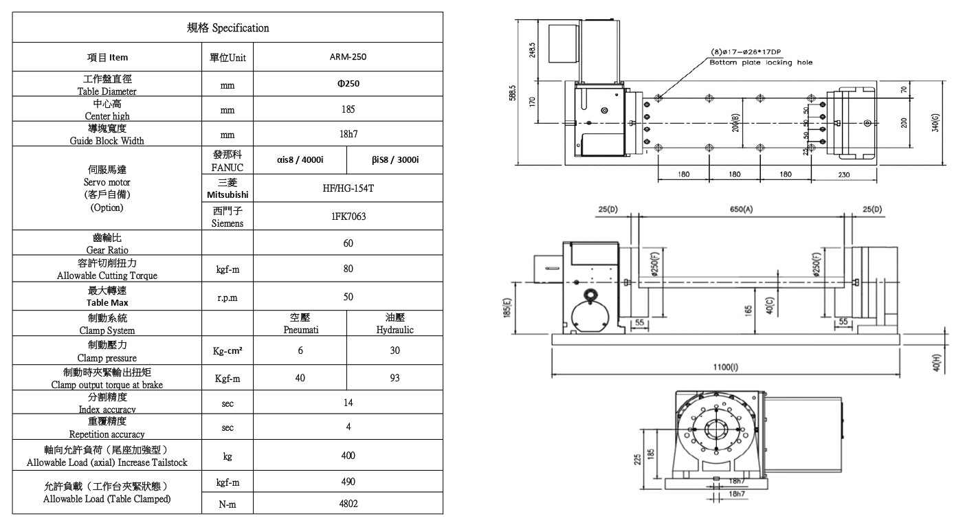
  • Model:ARM-250

DETAIL SPECIFICATIONS

AR250R+MR250H/P + Middle plate + Bottom plate + L block*2pcs

indxPdImg10
4-Axis Rotary Table ARM Series